伺服電機
發布時間:2017-11-13 0:42:23 點擊數:
|
概 述 SD系列伺服電機及伺服電機驅動器是由常州合泰電機電器有限公司最新推出的高科技產品。隨著電子技術的高速發展,電子產品的工藝和性能也不斷更新和提高,該伺服電機采用超大規模的硬件集成電路,具有高度的抗干擾性及快速的響應性,從根本上解決了傳統步進電機低速爬行、存在共振區、噪音大、高速力矩小、啟動頻率低及驅動器可靠性差等缺點。該伺服電機適合驅動相電流在8.2A以下的任何一款高壓兩相或四相步進電機,廣泛應用于數控機床、紡織機械、針織設備、包裝機械、醫療設備、電子元件制造等一系列自動化控制領域。 特 點 ● 交流伺服電流環原理,實時電流跟蹤補償,低速更平穩。 ● 高速力矩輸出提高40%,避免丟步(空載啟動速度達300~420r/min)最高轉速達3500 r/min。 ● 靈活的輸出電流設定,適配不同型號電機,同時具備自動半電流功能,減少電機發熱。 ● 最大50細分設定,滿足各種機械傳動,而且不影響其輸出力矩。 ● 保護功能全:輸入電源過壓、欠壓、輸出過流、相間短路、驅動器高溫等報警保護功能。 ● 電機低速無爬行現象,噪音小,無共振區。 性能指標 電氣性能(環境溫度Tj=25ºC時)
環境要求
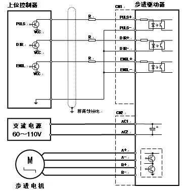
功能及使用 一。電源接口AC 交流60~110VDC,用戶須注意隔離變壓器,不可超過110V,以免損壞驅動器一般的。電源電壓越高,電機的力矩輸出越大,可避免高速丟步現象,但同時也會導致低速振動加大以及發熱,使用時應根據現場機械要求合理調整供電電壓。另外過高的電源電壓,使驅動器母線電壓基準抬高,與電機在減速制動時產生的能量回饋疊加,很容易觸及驅動器高壓報警閥值,產生報警現象。 二。設定輸出電流 本驅動器設計8檔輸出電流選擇,由驅動器上的編碼開關(SW1 SW2 SW3)設定,電流大小以最大值標稱。SD-2H0086MB型驅動器最大可提供8.28A的輸出電流,電流設定分辨率為0.91A。編碼開關(SW1 SW2 SW3)組合的每一種狀態代表一個電流值輸出設定,參見下表 電流輸出設定表
重要 在設定此參數時務必使驅動器處于不加電源或加電源但電機未運行的狀態,這樣可避免因電流突變對驅動器功率逆變部分產生的沖擊。參數設定完畢請關閉電源,重新上電后新參數才會有效。不規范的操作可能會造成驅動器的損壞! 1.自動半電流 驅動器在控制脈沖信號停止施加0.1秒左右,會自動進入半電流狀態,這時電機相電流為運行時的50%,以降低功耗和保護電機,收到新的控制脈沖后驅動器自動退出半點流狀態,此功能由驅動器面板上撥碼開關(SW4)來設定:OFF--自動半流有效、ON--自動半流無效。自動半電流設定同樣是必須在驅動器未加電或已加電但電機未運行時,設定完畢請關閉電源,重新上電后新參數才會有效。 2.驅動器細分設定 用戶可以通過調整驅動器面板上撥碼開關(SW5 SW6 SW7 SW8)的狀態來設定16種細分模式。此16種細分模式基本上涵蓋了用戶對電機步距角的要求。具體設置參見下表或驅動器的外殼絲印面板圖。細分數設定同樣是必須在驅動器未加電或已加電但電機未運行時。設定完畢請關閉電源,重新上電后新參數才會有效。 細分設定表
控制接口
|
||||||||||||||||||||||||||||||||||||||||||||||||||||||||||||||||||||||||||||||||||||||||||||||||||||||||||||||||||||||||||||||||||||||||||||||||||||||||||||||||||||||||||||||||||||||||||||||||||||
English version




