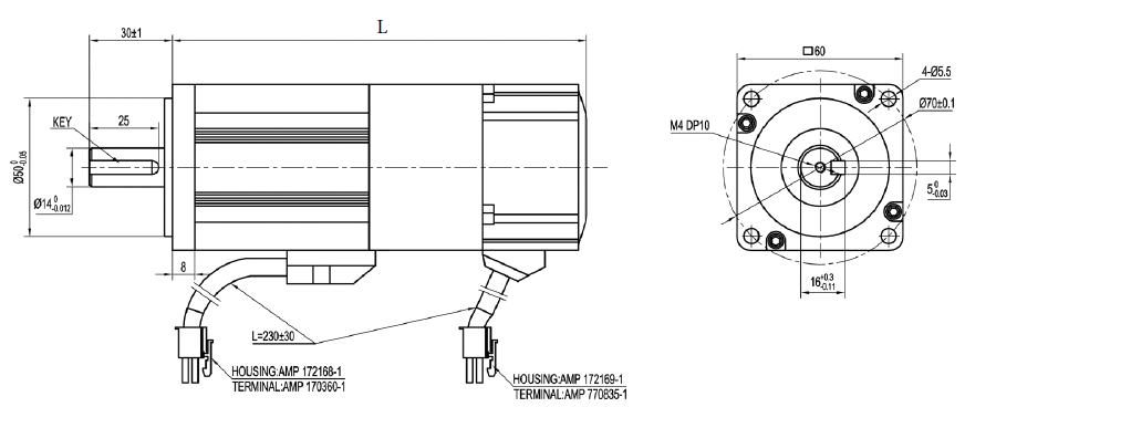
| 絕緣等級 | Insulation Class | F |
| 防護等級 | Protection Level | IP65 |
| 環境要求 | Environment Requirement |
工作/Work: 0℃~+55℃ 保存/Preserve: 20℃~80℃ 工作或保存/Work or Preserve: 90%RH (無結露/No Condensation) 海拔1000米/ Above Sea Level 1000m 振動/ Vibration: 5.88/S 2.10-60Hz |
|
電機 型號 |
額定 功率 (Watts) |
額定 電壓 |
額定 電流 (Amps) |
額定 轉速 (RPM) |
額定 力矩 (N.M) |
峰值 力矩 (N.M) |
反電 勢常數 (V/kRPM) |
力矩 系數 (N.M/Amps) |
轉子 慣量 (Kg.cm2) |
繞線 (線間)電阻 (Ω) |
繞線 (線間)電感 (mH) |
電氣 時間常數 (Ms) |
|---|---|---|---|---|---|---|---|---|---|---|---|---|
| ES6004A-40S30B1 | 400 | 310 | 2.65 | 3000 | 1.27 | 3.81 | 32 | 0.48 | 0.67 | 3.5 | 8.0 | 1.3 |
| ES6004A-40S30B2 | 400 | 310 | 2.65 | 3000 | 1.27 | 3.81 | 32 | 0.48 | 0.67 | 3.5 | 8.0 | 1.3 |
| ES6005A-40D30A2 | 400 | 310 | 2.65 | 3000 | 1.27 | 3.81 | 32 | 0.48 | 0.67 | 3.7 | 12.0 | 1.3 |
| ES6005A-40D30L1 | 400 | 310 | 2.65 | 3000 | 1.27 | 3.81 | 32 | 0.48 | 0.67 | 3.7 | 12.0 | 1.3 |
| ES6005A-40D30L2 | 400 | 310 | 2.65 | 3000 | 1.27 | 3.81 | 32 | 0.48 | 0.67 | 3.7 | 12.0 | 1.3 |
| ES6005A-40D30A1 | 400 | 310 | 2.65 | 3000 | 1.27 | 3.81 | 32 | 0.48 | 0.67 | 3.7 | 12.0 | 1.3 |
| ES6005A-20S30N1-T | 200 | 310 | 1.6 | 3000 | 0.64 | 1.91 | 32 | 0.45 | 0.42 | 8.8 | 24.0 | 1.3 |
| ES6005A-20S30N2-T | 200 | 310 | 1.6 | 3000 | 0.64 | 1.91 | 32 | 0.45 | 0.42 | 8.8 | 24.0 | 1.3 |
| ES6005A-20D30L1 | 200 | 310 | 1.6 | 3000 | 0.64 | 1.91 | 32 | 0.45 | 0.42 | 8.8 | 24.0 | 1.3 |
| ES6005A-20D30L2 | 200 | 310 | 1.6 | 3000 | 0.64 | 1.91 | 32 | 0.45 | 0.42 | 8.8 | 24.0 | 1.3 |
| ES6005A-20D30A1 | 200 | 310 | 1.6 | 3000 | 0.64 | 1.91 | 32 | 0.45 | 0.42 | 8.8 | 24.0 | 1.3 |
| ES6005A-20D30A2 | 200 | 310 | 1.6 | 3000 | 0.64 | 1.91 | 32 | 0.45 | 0.42 | 8.8 | 24.0 | 1.3 |
|
低壓伺服 ES6004H-20S30B1 |
200 | 36 | 9 | 3000 | 0.64 | 1.92 |
|
|
0.32 | 0.25 | 0.5 | 1.3 |
|
低壓伺服 ES6004G-40S30B1 |
400 | 48 | 12 | 3000 | 1.27 | 3.81 |
|
|
0.45 | 0.29 | 0.65 | 1.3 |

