| 繞線接法 | Winding Type | Star |
| 霍爾角度 | Hall effect angle | 120° Electrical angle |
| 絕緣等級 | Insulation Class | B |
| 環境溫度 | Ambient Temperature | -20℃~+50℃ |
| 絕緣電阻 | Insulation Resistance | 100MΩ Min.500VC DC |
| 絕緣強度 | Dielectric Strength | 600VAC 1 minute |
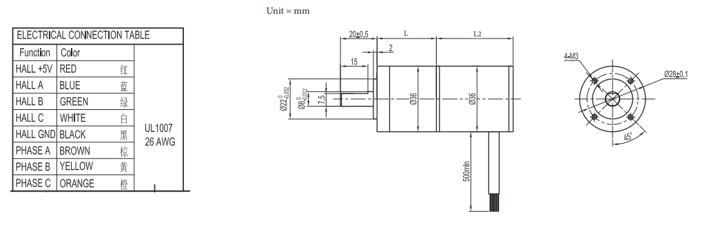
| 電機尺寸 | Motor size |
36*36(mm) |
| 可選匹配齒輪箱36減速比 |
1/5 1/16 1/20 1/25 1/62 1/76 1/94 1/117 |
|
電機 型號 |
極數 | 相數 |
額定 電壓 (VDC) |
額定 轉矩 (N.M) |
額定 轉速 (RPM) |
額定 電流 (Amps) |
輸出 功率 (Watts) |
峰值 轉矩 (N.M) |
峰值 電流 (Amps) |
力矩 常數 (N.M/Amps) |
反電勢 常數 (V/kRPM) |
機身 高度 (mm) |
|---|---|---|---|---|---|---|---|---|---|---|---|---|
| 36BLY01 | 4 | 3 | 24 | 0.03 | 3000 | 0.60 | 9.4 | 0.09 | 1.80 | 0.05 | 5.3 | 42 |
