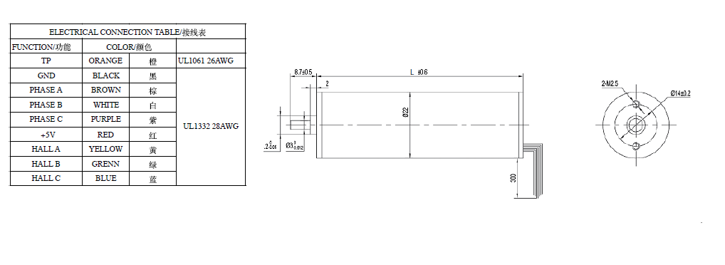
| 繞線接法 | Winding Type | Star |
| 霍爾角度 | Hall effect angle | 120° Electrical angle |
| 絕緣等級 | Insulation Class | B |
| 環境溫度 | Ambient Temperature | -20℃~+50℃ |
| 絕緣電阻 | Insulation Resistance | 100MΩ Min.500 VDC |
| 絕緣強度 | Dielectric Strength | 600VAC 1 minute |
| 最大徑向負荷 | Max Radial Force | 10N (10mm from front flange) |
| 最大軸向負荷 | Max Axial Force | 2N |
|
電機 型號 |
極數 | 相數 |
額定 電壓 (VDC) |
額定 轉矩 (N.M) |
額定 轉速 (RPM) |
額定 電流 (Amps) |
輸出 功率 (Watts) |
峰值 轉矩 (N.M) |
峰值 電流 (Amps) |
力矩 常數 (N.M/Amps) |
反電 勢常數 (V/kRPM) |
機身 高度 (mm) |
重量 (kg) |
|---|---|---|---|---|---|---|---|---|---|---|---|---|---|
| 22BL01F | 8 | 3 | 24 | 0.02 | 4800 | 0.60 | 8.0 | 0.06 | 1.80 | 0.033 | 3.5 | 68 | 0.11 |
*以上僅為代表產品,派生產品可按客戶需求定制。
*該產品可適配22減速箱。
